36C3 Teststrecke
Dokumentation 35C3 Teststrecke: 35c3 Teststrecke
Planung
PDF: teststrecke36c3_20191120.pdf
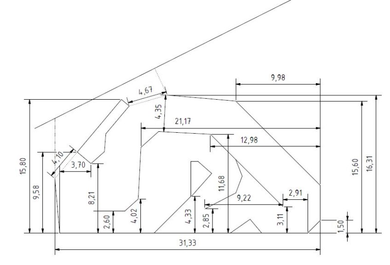
Die Außenmaße sind an die der Teststrecke vom vergangenen Jahr angelehnt. Im Teil oben links befindet sich der Übungsbereiche/Boxengasse. Die obere Linie in der Zeichnung kennzeichnet grob die Grenze zum Weg. Die Strecke wird über den linken Zugang (gestrichelte Linie) gegen den UZS befahren. Linkskurven waren gefühlt einfacher zu fahren, wesshalb die Rechtskurven nicht zu scharf ausgelegt wurden. In den drei leeren Bereichen innerhalb der Strecke sowie links und rechts unten außerhalb der Strecke sollen Lichtinstallation aufgebaut werden können. Die Werkstatt wird nach dem aktuellen Plan oben rechts aufgebaut. Da die Teststrecke in einer Ecke der Halle aufgebaut werden soll ist nicht zu erwarten, dass sie als Abkürzung genutzt wird. Aus diesem Grund wurde sich gegen zusätzliche Absperrungen entschieden.
Bauteilkalkulation
Verwendete Verbindungsstücke sowie die Gesamtlänge der HT-Rohre aus den Zeichnungen.
35C3 (vorhandenes Material)
- Länge: 144m
- 90°: 5+4= 9
- 135°: 13
- T-Stück 135°: 1
- Angeschrägtes Rohrstück: 4x 2m
36C3 (benötigtes Material)
- Länge: 146m (inkl 3x angeschrägte Stücke)
- 90°: 8
- 135°: 15
- T-Stück 135°: 1
- Angeschrägtes Rohrstück: 3x 2m
Weiteres Material
- 2x Schmierfett (4€ / Stück), eins reicht, zwei sind besser
- Sand (12.5Kg reichen für einen Sack)
- Säcke (vom großen C aus dem Lager?). ca. 12 - 15 Stück
- Teppichstücke (für die Säcke als Antirutschunterlage)
- Stahldraht (um die Säcke zu verschließen)
- Weißes Klebeband zum Markieren auf dem Boden (ist Organisiert)
- Pylone
Nützliches Werkzeug
- Laser Entfernungsmesser
- Maßband >=50m
- Seitenschneider, Kombizange
- Handschuhe
- Sitzkissen/Kniepolster
- Bügelsäge
- Feile
Aufbau
Maße des tatsaechlichen Aufbaus
36C3 (vorhandenes Material nach Aufbau)
- 83x 2m Stücke
- 3x T-Stücke 135°
- 12x 90° Winkel
- 15x 135° Winkel
- 4x 2m angeschrägt
- ca. 2m aber ohne das Ende mit dem Gummiring
- 9x ca. 1m
- 1x ca. 1,5m
- paar kleine Reste
- dünnere Rohe
- irgendwoher sind Eimer mit Beton und eingegossenen Rohren aufgetaucht
- angefangene Tuben mit dem Schmiermittel (sollte auch noch für einen Aufbau reichen)
- etwas Draht
- Gummidichtungen für mindestens alle Rohre oder mehr


